Telefunken 054GWK

Aus RadioWiki
Version vom 3. August 2009, 20:12 Uhr von Hihiman (Diskussion | Beiträge)
(Unterschied) ← Nächstältere Version | Aktuelle Version (Unterschied) | Nächstjüngere Version → (Unterschied)
Zur Navigation springen Zur Suche springen
Telefunken Super 054GWK
Innenleben
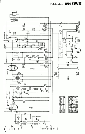
Schaltplan
Gerätebezeichnung Super 054 GWK
Hersteller Telefunken
Land
Typennummer 054
Typenbezeichnung

054GWK

Baujahr 1941
Röhren/Halbleiter UCH11, UBF11, UCL11, UY11
Primzip
Größe
Wellenbereiche LW, MW, KW
Stromversorgung 110..220 Volt Allstrom
Bemerkungen Skalenlämpchen wird durch das Magnetfeld der Netzdrossel eingeschaltet.